產品介紹
產品介紹:
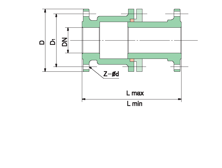
一、 產品名稱:法蘭式管道伸縮器
二、 產品型號:TSX
1.TSX管道伸縮器(又名伸縮節)在一定范圍內可軸向伸縮,也能在一定的角度范圍內克服因管道對接不同軸而產生的偏移,能極大的方便閥門管道的安裝與拆卸。
2. 該產品采用橡膠壓縮密封,可視工況隨時調節密封程度,杜絕外泄,相對運動部位采用“防銹噴涂”高溫處理定型等專利工藝,保證長期伸縮“不銹蝕”。


產品介紹:
一、 產品名稱:法蘭式管道伸縮器
二、 產品型號:TSX
1.TSX管道伸縮器(又名伸縮節)在一定范圍內可軸向伸縮,也能在一定的角度范圍內克服因管道對接不同軸而產生的偏移,能極大的方便閥門管道的安裝與拆卸。
2. 該產品采用橡膠壓縮密封,可視工況隨時調節密封程度,杜絕外泄,相對運動部位采用“防銹噴涂”高溫處理定型等專利工藝,保證長期伸縮“不銹蝕”。

